浏览量:1250 作者:费马科仪 发布时间:2025-12-05
钛合金微观世界探秘---TA1纯钛与TC4钛合金金相制样
前言
在航空航天、生物医疗及高端制造领域,钛合金因其卓越的强度重量比、优异的耐腐蚀性和生物相容性,被誉为“太空金属”和“海洋金属”。材料的宏观性能根植于其微观组织,精 准揭示TA1纯钛与TC4钛合金的显微结构,是评估其工艺质量、预测服役性能的关键。本期,我们将深度解析这两类典型钛材在金相制样中的挑战与解决方案。
制备难点
钛及其合金的金相制备,难点在于材料本身特殊的物理化学“性格”。
塑性高:易在机械研磨过程中产生严重的变形层、孪晶及“黏附”现象,掩盖真实组织。
导热性差:仅为钢铁的五分之一磨抛产生的热量不易散发,易导致局部过热,引起组织变化或加深变形层。
这些特性要求制样过程必须摒弃“通用方案”,转向精细化与定制化。
TA1纯钛样品制备
TA1作为工业纯钛,其金相观察的核心目标是获得无孪晶、无划痕、晶界清晰的纯净基体组织,为晶粒度评级打下基础。故针对该样品,我们制定了以下解决方案。
磨抛:
采用渐进式减压抛光。从粗磨到精抛,逐级降低载荷(如从20N降至1N),并配合由粗到细的金刚石悬浮液与最终二氧化硅悬浮液抛光,在高效磨抛的同时,将机械变形降至最 低。

“交替抛光-浸蚀-抛光”循环。通过化学浸蚀轻微溶解表层变形层,再以极轻载荷精 抛去除反应产物,可有效消除残留的孪晶与位错线,显露真实晶界。

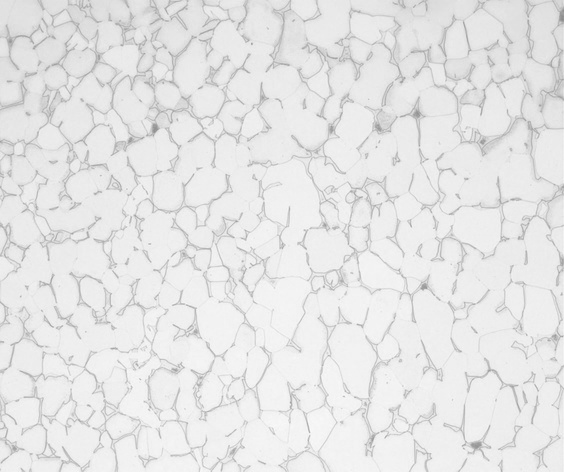
显微观察:

如图所示,经优化流程制备的TA1样品,在明场下晶粒平整,划痕消失;在偏光下,利用钛的各向异性,晶粒对比度显著,晶界分明,为精 准测量提供了完美基底。

试样明场100倍

试样明场200倍

试样偏光100倍

试样偏光200倍
TC4钛合金样品制备
TC4 (Ti-6Al-4V) 作为应用最广的α+β两相钛合金,其金相分析需同时满足:清晰分辨等轴初生α相、转变β基体,以及观察焊缝区域的组织演变。
磨抛:
同样采用精细化的自动磨抛流程,为腐蚀观察准备一个平整、无扰动的表面。针对TC4硬度较高的特点,需要调整磨抛介质序列与时间。
腐蚀:
选用Kroll试剂进行腐蚀。通过精 准控制时间,使β相受蚀稍深,在明场下与亮白色的α相形成鲜明对比。
显微观察:
明场:用于观察α相形貌、尺寸及分布。
偏光:对于某些取向的α相集束,偏光能呈现绚丽的色彩对比,更直观地显示晶粒取向与织构。

钛合金TC4明场100倍

钛合金TC4明场+偏光200

钛合金TC4明场500倍
TC4钛合金经Kroll试剂腐蚀后,明场下α相(亮白)与β转变组织(暗黑)对比分明;偏光下组织色彩丰富,取向清晰。
小结
1.纯钛质地柔软、摩擦因数大、导热率较低,在研磨时易产生形变孪晶和黏结层,导致显微组织假象,掩盖真实组织;
2.纯钛表面划痕充分去除后,还会存在晶内孪晶与晶内黑色絮状位错,通过交替抛光-浸蚀-抛光与增加精抛时间,可以有效去除孪晶与金属流动;
3.浸蚀时,采用浸入擦拭的方法可以获得更干净的晶界与晶内形貌。
4.钛合金试样磨抛后,可在偏光下观察到明显的晶界;腐蚀后虽不易观察到焊缝,但焊缝左右两边的晶粒度大小差别较为明显,左侧平均晶粒尺寸较小一些,也可在偏光下观察到明显的彩色金相。
Copyright © 2021 All Rights Reserved 版权所有苏州费马科仪自动化技术有限公司 苏ICP备19051203号
苏公网安备32059002004994号 网站制作:汇成传媒